Siirry pääsisältöön
savontuonti
  • Ilmainen toimitus yli 100 €:n tilauksille
  • HUOM. Klarna maksutavan kautta onnistuu myös verkkopankkimaksut!!!
  • Kaikki alle 100 € tilaukset 5.9 € postikuluilla
savontuonti
savontuonti
  • Aloitus
  • Moottorisahan varaosat
    • Jonsered
      • Jonsered Yleisvaraosat
      • 600-Sarja
        • 620
        • 625
        • 630
        • 670
      • 2000-Sarja
        • 2035
        • 2040
        • 2041
        • 2045
        • 2050
        • 2054
        • 2055
        • 2063
        • 2071
        • 2094
        • 2095
      • 2100-Sarja
        • 2141
        • 2145
        • 2147
        • 2149
        • 2150
        • 2152
        • 2159
        • 2163
        • 2171
        • 2186
      • CS2000-Sarja
        • CS2040
      • CS2100-Sarja
        • CS2141
        • CS2145
        • CS2147
        • CS2149
        • CS2150
        • CS2152
        • CS2153
        • CS2156
        • CS2159
        • CS2163
        • CS2171
        • CS2186
      • CS2200-Sarja
        • CS2234
        • CS2238
        • CS2240
        • CS2245
        • CS2250
        • CS2255
        • CS2258
        • CS2260
        • CS2263
        • CS2265
        • CS2272
    • Husqvarna
      • Husqvarna yleisvaraosat
      • 00-sarja
        • 35 (1986-1992)
        • 36
        • 40
          • Uudet Varaosat
          • Käytetyt Varaosat
        • 41
        • 42
          • Uudet Varaosat 42
          • Käytetyt Varaosat 42
        • 45
          • Uudet Varaosat 45
          • Käytetyt Varaosat 45
        • 49
          • Uudet Varaosat 49
          • Käytetyt Varaosat 49
        • 50
        • 51
        • 55
        • 61
      • 100-sarja
        • 136
        • 137
        • 141
        • 142
        • 154
      • 200-sarja
        • 235
        • 235E
        • 236
        • 238
          • Uudet Varaosat 238
          • Käytetyt Varaosat 238
        • 240
        • 242
          • Uudet Varaosat 242
          • Käytetyt Varaosat 242
        • 246
          • Uudet Varaosat 246
          • Käytetyt Varaosat 246
        • 254
        • 257
        • 261
        • 262
        • 266
        • 268
        • 272
        • 272XP
      • 300-sarja
        • 339XP
        • 340
        • 345
        • 346XP
        • 350
        • 351
        • 353
        • 357
        • 359
        • 362
        • 365
        • 371
        • 372
        • 372XP
        • 385
        • 390
      • 400-sarja
        • 435
        • 435E
        • 440
        • 440E
        • 445
        • 445E
        • 450
        • 450E
        • 455
        • 460
        • 461
      • 500-sarja
        • 540
        • 542
        • 545
        • 550
        • 555
        • 570
        • 576
    • Stihl
      • Stihl yleisvaraosat
      • 100-Sarja
        • 017
        • 018
        • 019
        • MS170
        • MS171
        • MS180
        • MS181
        • MS190
        • MS191T
        • MS192
        • MS193
      • 200-Sarja
        • 020
        • 020T
        • MS200
        • MS200T
        • MS201
        • 021
        • MS210
        • MS211
        • 023
        • MS230
        • 024
          • Uudet varaosat
          • Käytetyt varaosat
        • MS240
        • 025
        • MS250
        • MS251
        • 026
          • Uudet varaosat 026
          • Käytetyt varaosat 026
        • MS260
          • Uudet varaosat ms260
          • käytetyt varaosat ms260
        • MS261
          • Uudet varaosat ms261
          • Käytetyt varaosat ms261
        • MS270
        • MS271
        • 028
        • MS280
        • 029
        • MS290
        • MS291
      • 300-Sarja
        • MS310
        • 034
        • MS340
        • MS341
        • 036
        • MS360
        • MS361
        • MS362
        • 038
        • MS380
        • MS381
        • 039
        • MS390
      • 400-Sarja
        • 044
        • MS440
        • MS441
        • 046
        • MS460
      • 600-Sarja
        • 064
        • MS640
        • MS650
        • 066
        • MS660
        • MS661
    • Partner
      • 351
      • 540
      • 550
    • McCulloch
      • CS350
      • CS390
      • CS410
      • CS450
  • Mopon osat
    • Monkey varaosat (kiina)
  • Mopojen käytetyt osat
    • Suzuki PV varaosat
      • Etuhaarukka
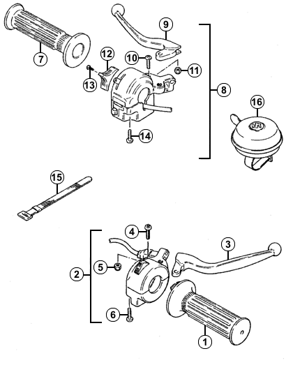
      • Ohjaustanko
      • Nopeusmittari
      • Etulamppu
      • Takalamppu
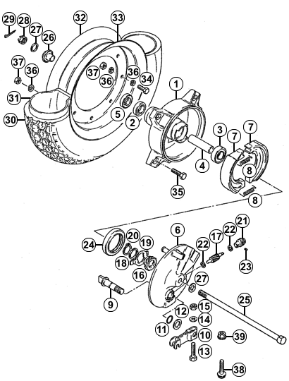
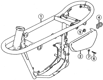
      • Etulokasuoja
      • Takalokasuoja
      • Takapyörä
      • Etupyörä
      • Satula
      • Runko
      • Jalkatappirunko
      • Takahaarukka
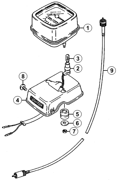
      • Polttoainetankki
      • Polttoainehana
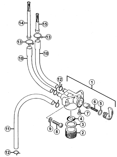
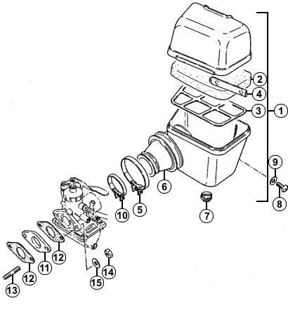
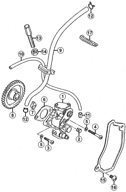
      • Kaasutin
      • Ilmanpuhdistin
      • Kahvat
      • Johtosarja
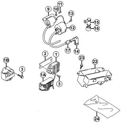
      • Sähkölaitteet
      • Magneetto
      • Öljysäiliö
      • Öljypumppu
      • Kampikammio
      • Kampikammion kannet
      • Sylinteri
      • Kampiakseli
      • Pakoputki
      • Kytkin
      • Vaihteisto
      • Vaihdevivusto
      • Käynnistyspoljin
    • Suzuki S1 varaosat
      • Runko | Tankki | Takalokasuoja
      • Etulokasuoja | Maski
      • Pakoputki | Sivukatteet
      • Keula
      • Etunapa
      • Takanapa
      • Ohjaustanko
      • Katkaisimet | Sähköt
      • Kaasutin
      • Magneetto
      • Kampikammio
      • Kampikammion kannet
      • Sylinteri
      • Kampiakseli
      • Kytkin
      • Vaihteisto
      • Vaihdevivusto
      • Käynnistyspoljin
    • Suzuki S varaosat
    • Suzuki R varaosat
    • Tunturi Super Sport
  • Työkalut
    • Diesel lämmittimet
    • Ultraäänipesurit
    • Kaasuttimen säätöavaimet
    • Sähkötyökalut
  • Käyttäjätili
  • 0 Toivelista
  • 0 Ostoskori
  1. Aloitus
  2. »Mopojen käytetyt osat
  3. »Suzuki PV varaosat
Etuhaarukka
Ohjaustanko
Nopeusmittari
Etulamppu
Takalamppu
Etulokasuoja
Etupyörä
Takalokasuoja
Takapyörä
Satula
Runko
Jalkatappirunko
Takahaarukka
Polttoainetankki
Polttoainehana
Kaasutin
Ilmanpuhdistin
Kahvat
Johtosarja
Sähkölaitteet
Magneetto
Öljysäiliö
Öljypumppu
Kampikammio
Kampikammion kannet
Sylinteri
Kampiakseli
Pakoputki
Kytkin
Vaihteisto
Vaihdevivusto
Käynnistyspoljin

Ohjeita

Toimitusehdot
Palautukset